直流自耦变压器
的有关信息介绍如下:
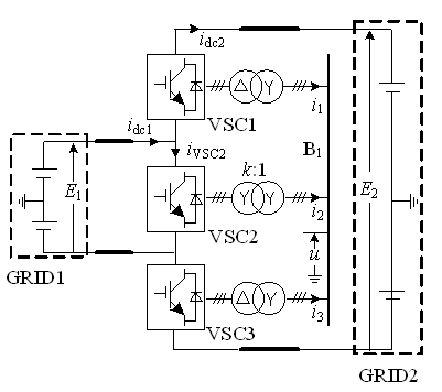
直流自耦变压器(dc auto transformer)由若干个换流器串联构成,是一种应用于高压直流输电领域的电气设备,用于连接两个或者多个不同直流电压等级的直流系统。普通的高压大功率直流变压器(dc transformer)采用直流-交流-直流变换技术,需要两级交/直变换,采用的换流器容量大。直流自耦变压器只有部分互联功率需要经过两级交/直变换,能显著降低所使用的换流器容量,并降低运行损耗.
想要了解更多“直流自耦变压器”的信息,请点击:直流自耦变压器百科



