程序计数器
的有关信息介绍如下:
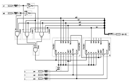
程序计数器是用于存放下一条指令所在单元的地址的地方。
当执行一条指令时,首先需要根据PC中存放的指令地址,将指令由内存取到指令寄存器中,此过程称为“取指令”。与此同时,PC中的地址或自动加1或由转移指针给出下一条指令的地址。此后经过分析指令,执行指令。完成第一条指令的执行,而后根据PC取出第二条指令的地址,如此循环,执行每一条指令。
想要了解更多“程序计数器”的信息,请点击:程序计数器百科

程序计数器是用于存放下一条指令所在单元的地址的地方。
当执行一条指令时,首先需要根据PC中存放的指令地址,将指令由内存取到指令寄存器中,此过程称为“取指令”。与此同时,PC中的地址或自动加1或由转移指针给出下一条指令的地址。此后经过分析指令,执行指令。完成第一条指令的执行,而后根据PC取出第二条指令的地址,如此循环,执行每一条指令。
想要了解更多“程序计数器”的信息,请点击:程序计数器百科